Для отримання оптових цін, пройдіть, реєстрацію
- Виробники
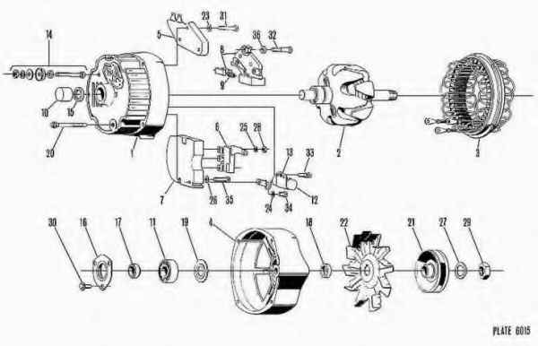
- DELCO REMY
- 1101308
DELCO REMY 1101308 Генератор
| Виробник | DELCO REMY |
|---|---|
| Номер | 1101308 |
| Ім'я | Генератор |
| Версия | Serie: 12SI (100) |
| Напряжение [В] | 12 |
| струм зарядки від генератора (А) | 94 |
| Код подшипника | RS |
| Направление вращения | по годинниковій стрілці |
Контакти
© Autooriginal. All rights reserved



