Для отримання оптових цін, пройдіть, реєстрацію
- Виробники
- DELCO REMY
- 1102896
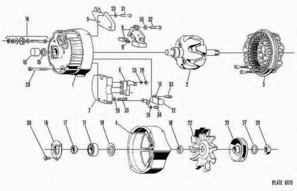
DELCO REMY 1102896 Генератор
| Виробник | DELCO REMY |
|---|---|
| Номер | 1102896 |
| Ім'я | Генератор |
| Версия | Serie: 10SI |
| Оригінальні номери | |
| VOLVO | 3134779 |
| Виробник | Артикул | Опис | Інформація | К-ть | Ціна | |||
|---|---|---|---|---|---|---|---|---|
| DELCO REMY | 1102896 |
Генератор
|
Запит | |||||
Аналоги для DELCO REMY 1102896 |
||||||||
| CASCO | CAL60103AS |
Генератор
|
2 | 5 646.13 грн. | ||||
| 5 684.22 грн. | ||||||||
| 2 | 5 725.24 грн. | |||||||
Контакти
© Autooriginal. All rights reserved



