Для отримання оптових цін, пройдіть, реєстрацію
- Виробники
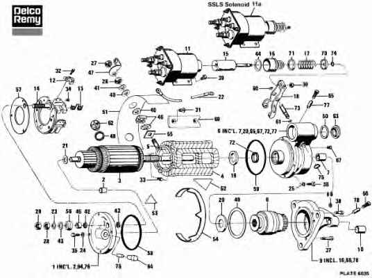
- DELCO REMY
- 1114842
DELCO REMY 1114842 Стартер
Виробник | DELCO REMY |
---|---|
Номер | 1114842 |
Ім'я | Стартер |
Версия | Serie: 40MT (400) |
Напряжение [В] | 24 |
Направление вращения | по годинниковій стрілці |
Оригінальні номери | |
FORD | C4TF11000A, C4TZ11002A |
VOLVO | V1114243 |
Контакти
© Autooriginal. All rights reserved