Для отримання оптових цін, пройдіть, реєстрацію
                
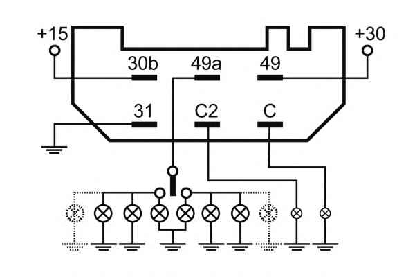
            NAGARES ITRC-6 Переривник покажчиків повороту
| Виробник | NAGARES | 
|---|---|
| Номер | ITRC-6 | 
| Ім'я | Переривник покажчиків повороту | 
| Номинальное напряжение [V] | 24 | 
| Мощность [Ватт] | (2+1)X21W+5W | 
| Количество полюсов | 6 | 
| Дополнительный артикул / Дополнительная информация | з кронштейном | 
| Функция реле | Мигающий указатель | 
| Тип сборки | Монтаж | 
| Оригінальні номери | |
| IVECO | 920690 | 
| VOLVO | 15048941 | 
| Виробник | Артикул | Опис | Інформація | К-ть | Ціна | |||
|---|---|---|---|---|---|---|---|---|
| NAGARES | ITRC-6 | 
        Переривник покажчиків повороту
         | Запит | |||||
| Аналоги для NAGARES ITRC-6 | ||||||||
| BOSCH | 0 335 215 154 | 
        Переривач покажчиків повороту
         | 2 | 1 734.57 грн. | ||||
| 1 766.80 грн. | ||||||||
| 2 | 1 772.66 грн. | |||||||
| 20+ | 1 789.65 грн. | |||||||
| 1 | 1 809.60 грн. | |||||||
Контакти
© Autooriginal. All rights reserved
    
