Для отримання оптових цін, пройдіть, реєстрацію
Пошук в інтернет-магазині
|
|
FORD | 1103103 |
Глушник вихлопних газів кінцевий
|
10 359.34 грн. | Вибрати | |
|
|
BMW | 1103103 |
Комплект тормозных колодок, дисковый тормоз
|
Вибрати | ||
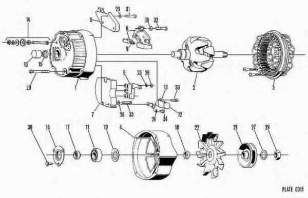
| DELCO REMY | 1103103 |
Генератор
|
Вибрати | |||
| GENERAL MOTORS | 1103103 |
|
Вибрати | |||
|
|
OPEL | 1103103 |
ZEICHEN GLS
|
Вибрати | ||
| REMY | 1103103 |
Генератор
|
Вибрати | |||
| TURBO' S HOET | 1103103 |
Компресор, наддув
|
Вибрати |
Контакти
© Autooriginal. All rights reserved