Масла і рідини
Матеріали для кузовного ремонту
Запчастини
0
UAH
EUR
UAH
Вхід для партнерів
Новини
Довідник
Контакти
Умови співпраці
Вхід для партнерів
Масла і рідини
Матеріали для кузовного ремонту
Запчастини
Для отримання оптових цін, пройдіть,
реєстрацію
Пошук в інтернет-магазині
FORD
1105518
HITZESCHILD
927.06 грн.
Вибрати
BMW
1105518
Подвеска, рычаг независимой подвески колеса
Вибрати
DELCO REMY
1105518
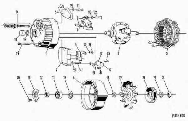
Генератор
Вибрати
IVECO
1105518
SCHRAUBE-ZYLINDERSCHRAUBE
Вибрати
REMY
1105518
Генератор
Вибрати
Розширений пошук