Масла і рідини
Матеріали для кузовного ремонту
Запчастини
0
UAH
EUR
UAH
Вхід для партнерів
Новини
Довідник
Контакти
Умови співпраці
Вхід для партнерів
Масла і рідини
Матеріали для кузовного ремонту
Запчастини
Для отримання оптових цін, пройдіть,
реєстрацію
Пошук в інтернет-магазині
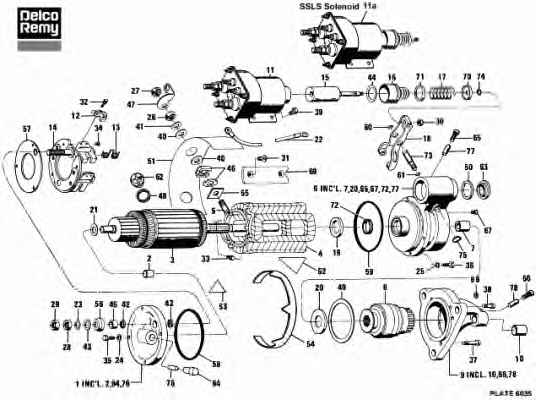
DELCO REMY
1114972
Стартер
Вибрати
FORD
1114972
Задній ліхтар
Вибрати
Розширений пошук