Для отримання оптових цін, пройдіть, реєстрацію
- Виробники
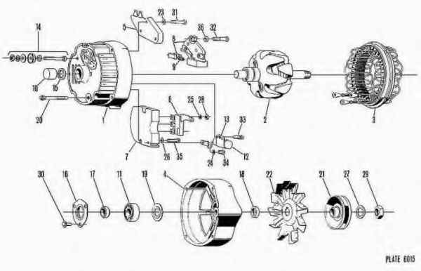
- DELCO REMY
- 1101289
DELCO REMY 1101289 Генератор
| Виробник | DELCO REMY |
|---|---|
| Номер | 1101289 |
| Ім'я | Генератор |
| Версия | Serie: 27SI (200) |
| Напряжение [В] | 12 |
| струм зарядки від генератора (А) | 65 |
| Код подшипника | RB |
| Направление вращения | проти годинникової стрілки |
| Оригінальні номери | |
| VOLVO | 802013403, 802013404, V1114261 |
Контакти
© Autooriginal. All rights reserved




