Для отримання оптових цін, пройдіть, реєстрацію
- Виробники
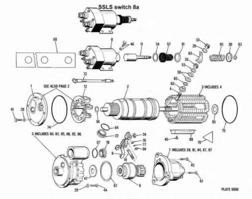
- DELCO REMY
- 1109625
DELCO REMY 1109625 Стартер
| Виробник | DELCO REMY |
|---|---|
| Номер | 1109625 |
| Ім'я | Стартер |
| Версия | Serie: 50MT (300) |
| Напряжение [В] | 32 |
| Направление вращения | по годинниковій стрілці |
Контакти
© Autooriginal. All rights reserved




