Для отримання оптових цін, пройдіть, реєстрацію
- Виробники
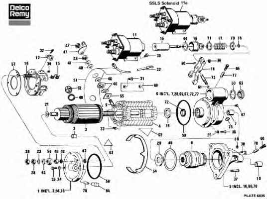
- DELCO REMY
- 1114685
DELCO REMY 1114685 Стартер
| Виробник | DELCO REMY |
|---|---|
| Номер | 1114685 |
| Ім'я | Стартер |
| Версия | Serie: 50MT (401) |
| Напряжение [В] | 24 |
| Направление вращения | по годинниковій стрілці |
Контакти
© Autooriginal. All rights reserved




